產品詳情
KD系列精密盤式減速機:
具有精度高、鋼性好、負載能力大、效率高、壽命長、噪音低、體積輕小、外形美觀、安裝方便、定位精準等特點,適用于交流伺服馬達、直流伺服馬達、步進馬達、液壓馬達的增速與減速傳動。適合于全球任何廠商所制造的驅動產品連接,如:松下、臺達、安川、富士、三菱、三洋、西門子、施耐德、法那克、科比、科爾摩根、AMK、帕克等等。
KD系列精密盤式減速機:
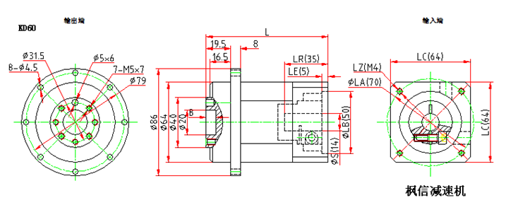
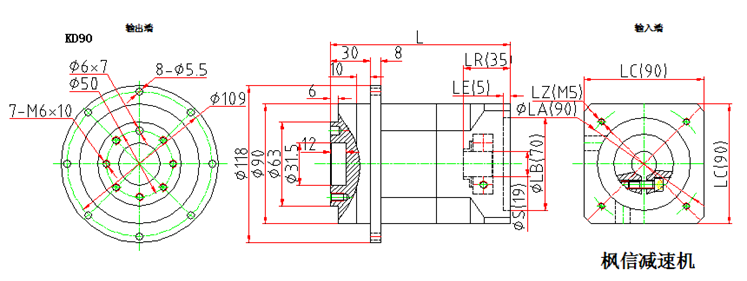
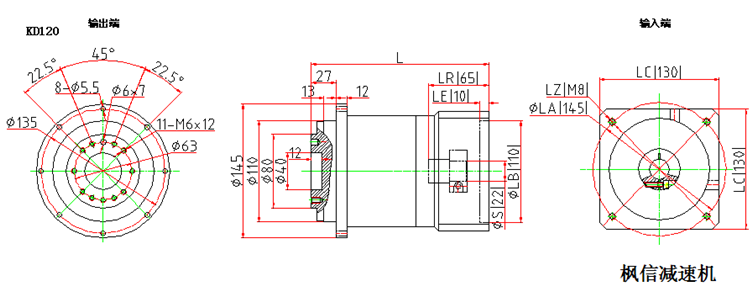
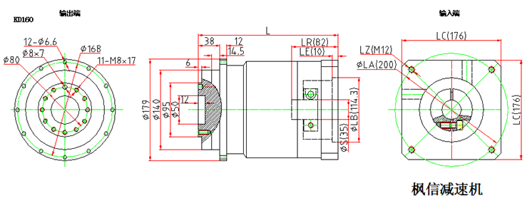
為法蘭盤輸出設計。型號分:KD40、KD60、KD90、KD120、KD160、KD200機座型號。速比:3~1000有20多個比速可選擇;分一、二、三級減速傳動;精度:一級傳動精度在5-10弧分,二級傳動精度在7-12弧分,三級傳動精度在9-15弧分。有數百種規格。
應用領域:
伺服行星減速機可直接安裝到交流和直流伺服馬達上,廣泛應用于中等精度程度的工業領域。如:精密機床、軍工設備、半導體設備、印刷包裝設備,太陽能、工業機器人、醫療設備、精密測試儀器等高精度場合的應用。
性能和特點:
KD系列精密盤式減速機提供了高性價比,應用廣泛、經濟實用、壽命長等優點,在伺服控制的應用上,發揮了良好的伺服剛性效應,準確的定位控制,在運轉平臺上具備了中低背隙,高效率,高輸入轉速,高輸入扭矩,運轉平順,低噪音等特性,外觀及結構設計輕小。使用終身免更換的潤滑油,及無論安裝在何處,都可以免維修操作全封閉式設計,并且具有IP65的保護程度,因此工作環境差時亦可使用。
KD精密盤式減速機性能參數:
KD精密盤式減速機轉動慣量:





