產品詳情
KBR系列精密伺服直角行星減速機:
特點:為方形法蘭轉角式結構,具有精度高、鋼性好、承載能力大、效率高、壽命長、體積輕小、外形美觀、安裝方便、可解決軸向空間限制、定位精準等特點,適用于交流伺服馬達、直流伺服馬達、步進馬達、液壓馬達的增速與減速傳動。適合于全球任何廠商所制造的驅動產品連接,如:松下、臺達、安川、富士、三菱、三洋、西門子、施耐德、法那克、科比、科爾摩根、AMK、帕克等等。
KBR系列精密伺服直角行星減速機:
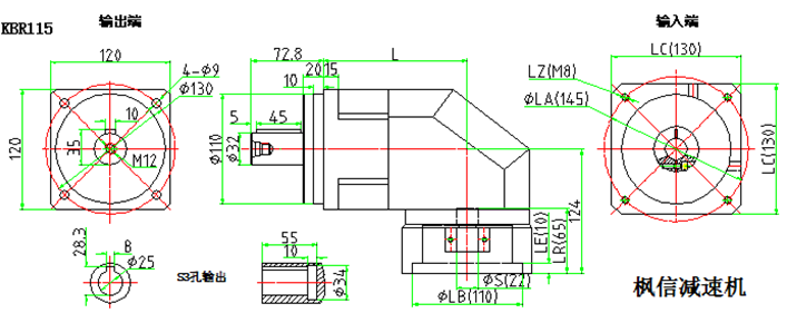
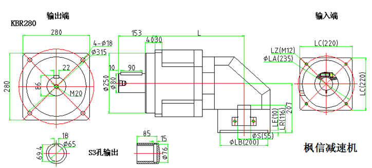
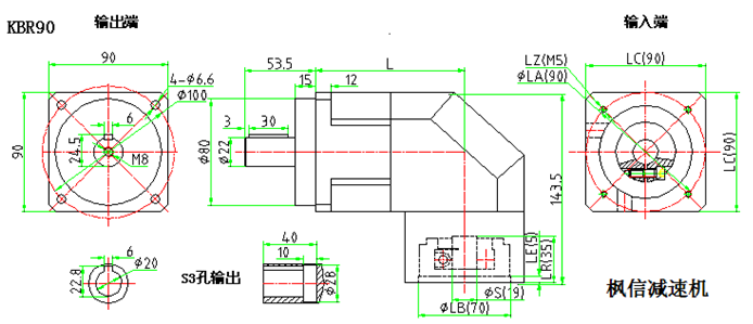
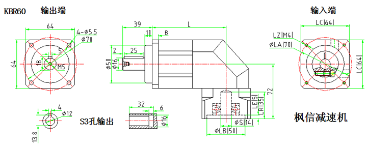
分KBR40、KBR60、KBR90、KBR115、KBR142、KBR180、KBR220、KBR280直角式常用機座型號,速比:3~1000有20多種比速可選擇;分一級、二級和三級減速傳動;精度:一級傳動精度在5-8弧分,二級傳動精度在7-10弧分;三級傳動精度在9-12弧分;有數百種規格。產品型號例如:KBR142-32-S2-P2。
應用領域:
伺服減速機可直接安裝到交流和直流伺服馬達上,廣泛應用于精密機床、軍工設備、半導體設備、印刷包裝設備,太陽能、工業機器人、醫療設備、精密測試儀器等高精度場合的應用。
性能及特點:
1、行星齒輪的傳動介面采用不含保持器之滿針滾針軸承,增加接觸面積以提高結構剛性及輸出扭矩;
2、采用3D/PORE的設計分析技術,分別對螺旋齒面作齒形及導程修整,以降低齒輪對嚙入及嚙出的沖擊和噪音,增加齒輪系的使用壽命;
3、齒輪材料選用高級的鉻鉬釩合金鋼,經調質熱處理至基材硬度30HRC,再利用本廠先進的離子氮化設備將齒輪表面的硬度氮化至840HV,以獲得最佳的耐磨耗和耐沖擊韌性;
4、行星臂架與輸出軸采用一體式的結構設計,且輸出軸的軸承配置采用大跨距設計確保最大的扭轉剛性和輸出負載能力;
5、 使用NYOGEL792D合成潤滑油脂,并采用IP65防護等級的密封設計,潤滑油不泄露,免維護;
6、輸入端與馬達的連接采用筒夾式的鎖緊機構并經動平衡分析,以確保在高輸入轉速下結合介面的同心度和零背隙的動力傳遞;
7、整支齒輪棒材制作出的太陽齒輪,剛性強,同心度準確;
8、 獨特的馬達連接板和軸襯的模組化設計,適用于任何伺服馬達;
9、齒輪箱表面利用無電解鎳處理,馬達連接板采用黑色陽極處理,提高環境的耐受性和抗腐蝕能力;
10、齒輪箱和內環齒輪采用一體式的設計,結構緊湊、精密度高、輸出扭矩
KBR系列精密行星減速機性能參數:
KBR系列精密行星減速機轉動慣量:




