產品詳情
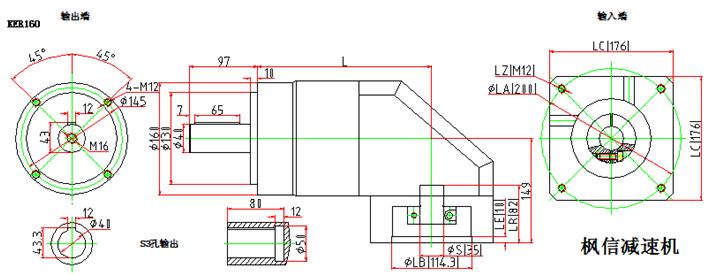
KER系列精密伺服直角行星減速機:
特點:為圓形法蘭轉角式輸出,具有經濟實用、性價比高,軸向尺寸短、鋼性好、承載能力大、壽命長、噪音低、體積輕小、外形美觀、安裝方便、定位精準等特點,適用于交流伺服馬達、直流伺服馬達、步進馬達、液壓馬達的增速與減速傳動。適合于全球任何廠商所制造的驅動產品連接,如:松下、臺達、安川、富士、三菱、三洋、西門子、施耐德、法那克、科比、科爾摩根、AMK、帕克等等。
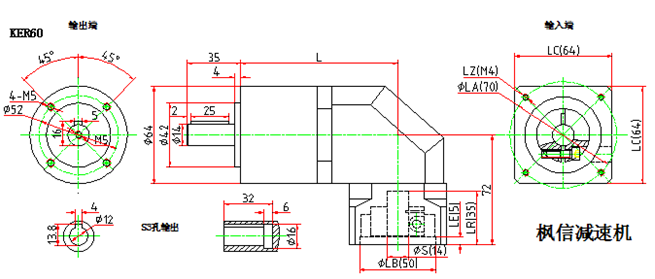
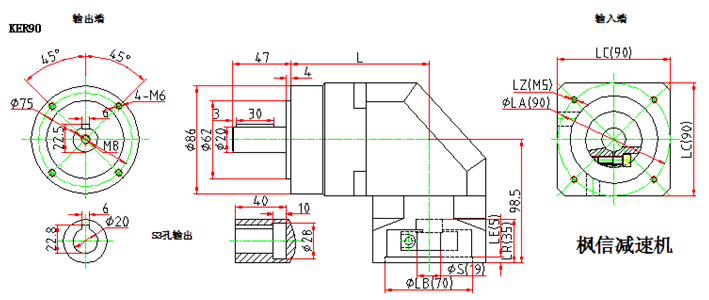
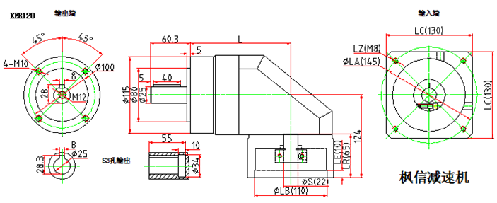
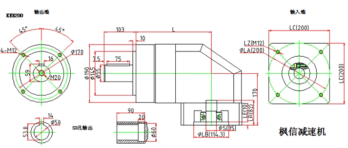
KER系列精密伺服直角行星減速機:
為經濟型圓形不帶法蘭設計,型號分:KER40、KER60、KER90、KER120、KER160、KER200機座型號。速比:4~1000有20多種比速可選擇;分一、二、三級減速傳動;精度:一級傳動精度在6-12弧分,二級傳動精度在8-15弧分,三級傳動精度在12-18弧分。有數百種規格。
應用領域:
伺服電機減速機可直接安裝到交流和直流伺服馬達上,廣泛應用于中等精度程度的工業領域。如:印刷包裝設備、火焰切割、激光切割、數控機床、工具機械,食品包裝、自動化產業、工業機器人、和自動化的機電產品行業。
性能和特點:
KER系列精密伺服直角行星減速機提供了高性價比,應用廣泛、經濟實用、壽命長等優點,在伺服控制的應用上,發揮了良好的伺服剛性效應,準確的定位控制,在運轉平臺上具備了中低背隙,高效率,高輸入轉速,高輸入扭矩,運轉平順,低噪音等特性,外觀及結構設計輕小。使用終身免更換的潤滑油,及無論安裝在何處,都可以免維修操作全封閉式設計,并且具有IP65的保護程度,因此工作環境差時亦可使用。
KER系列行星伺服減速機性能參數:
KER系列精密伺服減速機轉動慣量:






