三菱FX2NPLC與三菱變頻器ModbusRTU協議通訊應用(2)
三菱FX2NPLC與三菱變頻器ModbusRTU協議通訊應用
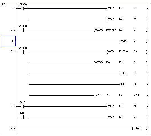
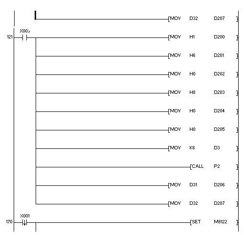
三.通訊程序
采用ModbusRTU協議與變頻器通訊的部分PLC程序如下:
四:程序說明:
1.當X1接通一次后,變頻器進入正轉狀態。
2. 當X2接通一次后,寫入變頻器運行頻率60HZ。
3. 當X3接通一次后,變頻器進入停止狀態。
當指令中,變頻器指令地址為0時,為廣播指令,所有從站變頻器只接受PLC發出指令,不向主機發送響應信息。
本文標簽:三菱FX2NPLC與三菱變頻器ModbusRTU協議通訊應用(2)
* 由于無法獲得聯系方式等原因,本網使用的文字及圖片的作品報酬未能及時支付,在此深表歉意,請《三菱FX2NPLC與三菱變頻器ModbusRTU協議通訊應用(2)》相關權利人與機電之家網取得聯系。
關于“三菱FX2NPLC與三菱變頻器ModbusRTU協議通訊應用(2)”的更多資訊










